Тип ворса Существует несколько типов ворса, самые распространенные из которых – натуральный и синтетический.
Изображение. Контраст в ОПЭМ обусловлен рассеянием электронов при прохождении электронного пучка через образец. Если
Описание подорожника и его важная роль в природе Подорожник — многолетнее растение, которое широко
Возможные ДТП и их последствия ДТП на прилегающей территории ПДД дополнительно не описываются. Но
Основные отличия право- и левостороннего движения Собственно, главное расхождение — в “зеркальности” процесса и
Проезд по кольцевой и улочной системе: важные нюансы Корея известна своей развитой дорожной сетью
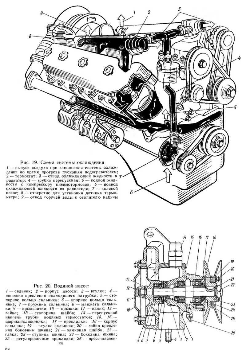
Принцип работы охлаждения Во время нормальной работы мотора ЯМЗ-238 от МАЗа в системе охлаждения
Как устроен двигатель автомобиля Какой бы ни был высокотехнологичный и современный автомобиль, сам ехать
Определение по внешнему виду При визуальном осмотре оценивают следующие критерии: цвет; запах; текстуру; стабильность
Освобождение от воздействия электрического тока Каждый рабочий должен уметь и знать, как оказать первую
