Зачем нужен делитель напряжения?
В мире электроники популярны датчики, с помощью которых, измеряемые физические значения, считываются путем измерения сопротивления датчика, например, сопротивление аналогового датчика температуры зависит от температуры окружающей среды.
Микроконтроллеры (например, используемые в Arduino) не могут измерять изменения сопротивления. Однако они отлично умеют измерять напряжение.
На сегодняшний день такие делители напряжения в электросхемах не используются. Вы конечно можете использовать такой делитель для питания системы, которая требует 5 В от батареи 9 В. Но вы не должны использовать их для питания, например, средних моторов (хотя это иногда и кажется хорошей идеей), ведь от делителей напряжения невозможно получить большую силу тока! Для питания таких схем с моторами лучше использовать стабилизаторы напряжения, о которых будет рассказано в других статьях.
Похожие термины:
-
положение избирательного закона, содержащее предписание (запрет) о недопустимости злоупотребления свободой массовой информации при проведении предвыборной агитации. Законом запрещаются агитац
-
ЗАПРЕТ НАПРАВЛЯТЬ ЖАЛОБУ НА РАССМОТРЕНИЕ В ГОСУДАРСТВЕННЫЙ ОРГАН, ОРГАН МЕСТНОГО САМОУПРАВЛЕНИЯ ИЛИ ДОЛЖНОСТНОМУ ЛИЦУ, РЕШЕНИЕ ИЛИ ДЕЙСТВИЕ КОТОРЫХ ОБЖАЛУЕТСЯ
установлен Федеральным законом «О порядке рассмотрения обращений граждан Российской Федерации» от 02.05.2006 № 59-ФЗ. В случае если в соответствии с данным запретом невозможно направление жалобы на р
-
это мера обеспечения производства по делу об административном правонарушении, которая заключается в принудительном кратковременном (до пяти суток), установленном на срок до рассмотрения дела об
-
это недопустимость любых форм ограничения прав граждан по признакам социальной, расовой, национальной, языковой или религиозной принадлежности. Пунктом 2 ст. 29 Конституции РФ не допускается пропа
-
принципиальное правило назначения наказания, согласно которому если смягчающее (отягчающее) обстоятельство предусмотрено соответствующей статьей Особенной части УК РФ в качестве привилегирующ
-
Установленная законодателем гуманная мера, исходящая из приоритета жизни и здоровья человека над иными ценностями. В соотв. с законом огнестрельное оружие запрещается применять в отнош. женщин, л
-
Судебное решение, предписывающее не совершать или не допускающее определенное действие. Чтобы получить судебный запрет, истец должен доказать, что не существует простого, адекватного и всеобъемл
-
единых правил об этом не существует, тем более что сама акционерная форма ориентирована на рост уставного капитала. Однако, в том числе по соображениям недопущения нежелательных инвесторов, полож
-
свойство патента, согласно которому без согласия патентовладельца никто не имеет права использовать запатентованное им изобретение.
-
предназначенные для обеспечения безопасности объектов или населения зоны, в пределах которых установлен ограниченный режим использования земель, осуществления хозяйственной деятельности и (ил
-
комплекс мер, применяемых в отношении товаров, перемещаемых через таможенную границу, включающий меры нетарифного регулирования, меры, затрагивающие внешнюю торговлю товарами и вводимые исходя
-
судебное решение, резолютивная часть которого содержит адресованное ответчику обязывание не допускать в дальнейшем фактов нарушения законодательства, аналогичных рассмотренным судом и признан
-
таможенный тариф, применяемый с целью ограничения, недопущения ввоза на внутренний рынок данной страны или вывоза с него определенных товаров; его ставка может превышать 30 % объявленной стоимости
-
согласно ГОСТ Р 51141–98 «Делопроизводство и архивное дело. Термины и определения», – дата, означающая что документы, возникшие ранее ее, экспертизе их научной и практической ценности не подвергают
-
воздушное пространство установленных размеров над сухопутной или водной территорией государства, в пределах которого полеты воздушных судов запрещены (Приложение 2 к Конвенции о международной г
-
1) участок (район) местности (акватории или воздушного пространства), в пределах которого нахождение и передвижение населения, транспортных средств, войск (плавание кораблей, судов и полеты летател
-
территории, непосредственно прилегающие к территориям военного склада. Устанавливаются в целях обеспечения безопасности хранения вооружения, военной техники и другого военного имущества, защит
-
Предусмотренное в ФЗ об ОРД ограничение компетенции ОРО и др. субъектов ОРД, направленное на усиление гарантий законности ОРД, а также установленное законодателем ограничение на ее осу-Ществл. не
-
способы правового регулирования в избирательном праве, содержанием которых являются требования воздержания от совершения определенных общественно вредных и правонарушающих действий. Сформули
-
правоограничения, обусловленные особенностями военной службы как федеральной государственной службы особого вида. Целями таких правоограничений являются следующие: обеспечить эффективную слу
Когда сленг становится проблемой?
Тогда в каких случаях сленг переходит границы дозволенного, когда стоит бить тревогу?
Язык подростков так раздражает взрослых, что про это можно написать отдельную статью. Из года в год, взрослые уповают на то, как молодежь портит и коверкает язык, что понять их не представляется возможным и бороться с этим нужно незамедлительно.
Стоит задуматься, почему родителей начинает раздражать этот подростковый язык. Ответ очень прост, как сказали бы сами подростки: «предки просто не в теме». Но и здесь взрослые не отступают, они думают, если выучить пару сленговых словечек – всё, ты свой, но, время меняется: только мы выучили одно слово, как на смену ему пришло пять новых, а то уже устарело.
Прежде чем начать борьбу со сленгом, который использует ваш ребёнок, проанализируйте вашу речь, грамотно ли вы выстраиваете предложения, нет ли в ней слов – паразитов и двусмысленных оборотов.
В конце концов, если ваш ребёнок использует большое количество незнакомых для вас слов, можно попросить рассказать, что они обозначают, поделиться своими воспоминаниями, какой сленг был во времена вашей молодости. А также стоит напомнить, что не со всеми взрослыми уместно использовать сленговые выражения, нужно чётко понимать, с кем это уместно, а с кем нужно придерживаться официального делового диалога.
Что такое внутреннее сопротивление?
Внутреннее сопротивление — это параметр, который является общим для каждого источника питания, но о нем часто забывают. Любой реальный источник напряжения можно в простейшем случае смоделировать, как последовательную комбинацию идеального источника и определенного сопротивления.
| Проще всего представить, батарейку или аккумулятор, внутри которого, есть резистор. |
Такое сопротивление никому не нужно, но с этим ничего не поделать; производители могут только стараться поддерживать это сопротивление на минимально возможном уровне. Это связано с составом контактных сопротивлений, крышек батарей, выводов и т.д. Кроме того, сопротивление может зависеть от температуры, сроков эксплуатации элементов и других факторов.

Это сопротивление нельзя точно самим рассчитать и не пытайтесь измерить его мультиметром! Такую информацию может предоставить только производитель батареи
К счастью, это для нас сейчас не важно, самое главное — просто знать о существовании внутреннего сопротивления
Наличие внутреннего сопротивления иллюстрирует очень простой опыт. Давайте измерим напряжение в цепи, при течении тока через резисторы 1 кОм и 10 кОм и без них. Вот очень простая схема измерения:
![]() |
![]() |
Примеры измерений:
![]() |
![]() |
![]() |
| Резистор 1k подключен | Резистор 10 кОм подключен | Без резистора |
Как вы можете видеть в приведенном выше примере, увеличивая ток от батареи, мы получаем более низкое напряжение. Это можно прекрасно объяснить так: чем меньше R1 (который представляет собой нагрузку) по сравнению с R2 (которое представляет собой внутреннее сопротивление), тем большее напряжение подается на R2. Для многих измерение без резистора может вызывать недоумение, потому что они думают, что это означает отсутствие сопротивления — это неправильное мышление.
| Отсутствие резистора следует понимать как бесконечно большое сопротивление. Так как, в цепи не протекает ток и батарея никак не нагружается, поэтому измеренное напряжение является самым высоким. |
Помните, что при зарядке аккумулятора слишком большим током (через резистор с низким сопротивлением), аккумулятор может нагреться и выйти из строя (может произойти утечка электролита)! При потреблении большого тока, используйте источник с достаточно низким внутренним сопротивлением и достаточно большой мощностью.
| Вышеупомянутый феномен беспокоит многих новичков, пытающихся запитать свои проекты небольшими батареями (например, 9 В). Они забывают, что высокое потребление тока (например, моторами) вызывает падение напряжения на батарее. Это может помешать работе всей системы. |
Колебания: частота и амплитуда

Появление резонанса неразрывно связано с колебаниями, то есть с процессом изменений состояния какой-нибудь системы, который повторяется во времени и происходит около определённой точки равновесия, периодически отклоняясь то в сторону со знаком «минус», то в противоположную — со знаком «плюс»
При этом не важна природа самой колебательной системы и место её нахождения, а важно лишь наличие исходной точки состояния, к которой она возвращается через строго определённый промежуток времени. Это могут быть механические колебания, периодические изменения значения силы электрического тока в цепи, звук и так далее.
Законтрить гайку: основные понятия и термины
При работе с автомобилем или другими механизмами регулярно встречаются ситуации, когда необходимо законтрить гайку. Это важный процесс, позволяющий обеспечить надежную фиксацию гайки и предотвратить ее самооткручивание под воздействием вибрации или нагрузки. В этом разделе мы рассмотрим основные понятия и термины, связанные с законтриванием гаек.
Законтривание гайки
Законтривание гайки — это процесс, при котором гайка закручивается на болт или втулку с использованием специальной противооткручивающейся гайки или другого крепежного элемента. Законтривание гайки позволяет создать дополнительное усилие трения между гайкой и крепежным элементом, что предотвращает ее самооткручивание при работе механизма.
Противооткручивающаяся гайка
Противооткручивающаяся гайка — это специальный тип гайки, который обеспечивает надежную фиксацию и предотвращает самооткручивание. Она имеет специальную форму или добавленные элементы, которые создают дополнительное усилие трения между гайкой и крепежным элементом. Противооткручивающиеся гайки широко используются в автомобильной и другой промышленности для обеспечения надежности соединения.
Момент затяжки
Момент затяжки — это величина силы, приложенной для закручивания гайки или болта. Он измеряется в ньютон-метрах (Н·м) или килограммах-силы на метр (кгс·м). Момент затяжки определяет степень надежности соединения и должен соответствовать требованиям производителей или нормам.
В зависимости от типа резьбы и диаметра крепежного элемента момент затяжки может быть разным. Чтобы правильно законтрить гайку, необходимо использовать динамометрический ключ или специальное оборудование, которое позволяет точно контролировать момент затяжки.
Проверка законтривания
После законтривания гайки необходимо проверить, насколько надежно она закреплена. Для этого можно использовать специальные инструменты, например, динамометрический ключ или моментомер. Их помощью можно проверить момент затяжки гайки и убедиться, что он соответствует требованиям производителя.
Использование антивибрационного состава
Для более надежного законтривания гаек иногда используют антивибрационное состав, которое повышает силу трения между гайкой и крепежным элементом. Это особенно полезно в условиях повышенной вибрации или нагрузки. Антивибрационное состав может быть представлено в виде специальной прокладки, пленки или пасты. Однако перед использованием антивибрационного состава следует ознакомиться с рекомендациями производителя и правильно его наносить.
| Термин | Описание |
|---|---|
| Законтривание гайки | Процесс закручивания гайки на болт с использованием специальной противооткручивающейся гайки или другого крепежного элемента. |
| Противооткручивающаяся гайка | Специальный тип гайки, который обеспечивает надежную фиксацию и предотвращает самооткручивание. |
| Момент затяжки | Величина силы, приложенная для закручивания гайки или болта. |
| Проверка законтривания | Проверка надежности закрепления гайки после ее законтривания. |
| Использование антивибрационного состава | Использование специальных средств для повышения надежности закрепления гайки в условиях повышенной вибрации или нагрузки. |
Плюсы и минусы
Как и у любого явления, у толерантности есть две стороны: хорошая и плохая.
Плюсы толерантности:
- ведет к гуманности и пониманию других людей;
- помогает преодолеть страхи, связанные с общением с людьми с непохожими взглядами, благодаря умению построить эффективную коммуникацию;
- способствует отношению с пониманием к людям, которые проявляют себя разными, порой не соответствующим общепринятым представлениям, способами;
- посредством передачи опыта и знаний, путем взаимодействия людей с разными точками зрения ведет к личностному росту и общественному развитию.
Минусы толерантности:
- позволяя удерживаться на расстоянии от человека с непохожими взглядами, уважать его права издалека, не сближает, а отдаляет людей друг от друга;
- выступает способом разрушения традиционного уклада, религий, когда терпение, которое является главной библейской добродетелью, подменяется терпимостью к греху;
- в современных реалиях вместо решения реальных социальных проблем только лицемерно декларируется уважение прав представителей других наций, культур, рас, вероисповеданий и т.д.;
- невозможно провести точную грань, когда терпимость перерастает в рабское терпение, нанося ущерб личности человека;
- многие под видом благих намерений манипулируют сознанием людей;
- может восприниматься как равнодушие, безразличие, нежелание отстаивать свое мнение и бороться за него;
- в мире современных цифровых технологий истинные ценности подменяются ложными.
Уход за системами заземления и диагностика
Поддержание и обслуживание систем заземления: регулярная проверка и обновление
Системы заземления требуют регулярного ухода и обслуживания для обеспечения их надежной работы. Важные аспекты поддержания и обслуживания систем заземления:
- Регулярные проверки: Регулярная проверка состояния заземления включает в себя измерение сопротивления заземления. Это позволяет определить, насколько эффективно заземление отводит избыточный ток. Проверки должны проводиться в соответствии с нормативами и стандартами, установленными для конкретного типа системы заземления.
- Обновление и ремонт: Если проверки выявляют проблемы, такие как высокое сопротивление заземления или повреждения заземляющих устройств, необходимо провести обновление или ремонт системы заземления. Это может включать в себя замену поврежденных проводов, электродов или заземляющих устройств.
- Устранение коррозии: Коррозия может быть серьезной проблемой для заземляющих устройств. Регулярная проверка и очистка от коррозии помогут поддерживать эффективность заземления.
Диагностика проблем в системах заземления и методы их устранения
Диагностика проблем в системах заземления является важным этапом обслуживания:
- Измерение сопротивления заземления: Это важный метод для определения, насколько хорошо заземление отводит ток в землю. Повышенное сопротивление может свидетельствовать о проблемах, таких как коррозия, разрывы проводов или неправильное подключение.
- Визуальная инспекция: Визуальная инспекция заземляющих устройств и соединений может выявить повреждения, трещины, признаки коррозии или несоответствия стандартам.
- Использование специализированного оборудования: Профессионалы могут использовать специальное оборудование, такое как заземлительные тестеры, для более точной диагностики проблем.
Устранение проблем в системах заземления может включать в себя:
- Замену поврежденных элементов: Поврежденные провода, электроды или заземляющие устройства должны быть заменены.
- Очистку от коррозии: Коррозия может быть удалена, и заземляющие устройства могут быть обработаны специальными антикоррозийными средствами.
- Повторное заземление: В случае недостаточного сопротивления заземления может потребоваться добавление дополнительных электродов или улучшение существующих.
Роль профессионалов в обеспечении безопасности систем заземления
Профессионалы, специализирующиеся на электробезопасности и системах заземления, играют важную роль в обеспечении безопасности. Их задачи включают в себя:
- Проектирование систем заземления: Профессионалы разрабатывают системы заземления, учитывая требования и нормативы для конкретного объекта или системы.
- Регулярные проверки и обслуживание: Они проводят регулярные проверки и обслуживание систем заземления, чтобы гарантировать их надежную работу.
- Диагностика и устранение проблем: В случае выявления проблем профессионалы проводят диагностику и устраняют их, обеспечивая безопасность и надежность системы.
- Обучение и консультации: Профессионалы могут обучать других работников и консультировать по вопросам электробезопасности и системам заземления.
Роль профессионалов несомненно критически важна для обеспечения надежной и безопасной работы систем заземления в различных электрических установках и объектах.
Теоретическая значимость
Теоретическая
значимость научной работы – это ее
академическая ценность. По смыслу она
близка к научной новизне. Только последняя
в упрощенном понимании характеризуется
соответствием критерию «чего не было
в науке», а теоретическая значимость –
«чего не было в науке и чего ей не
хватало».
В зависимости
от категории выполняемой работы,
отличаются и требования к этому элементу.
Это может быть
-
в курсовой
работе – освещение проблемы, привлечение
к ней внимания, обобщение материала; -
в
магистерской диссертации – уточнение
понятия, выявление основ, подтверждение
положения; -
в научной
статье – подтверждение или опровержение
гипотезы, восполнение пробела в знании,
разрешение противоречия; -
в
кандидатской диссертации – анализ
проблемы в нестандартном контексте,
формирование новой точки зрения на
спорный вопрос, задание перспективного
направления для дальнейших исследований; -
в
докторской диссертации
– представление
принципиального нового кластера научных
знаний.
В более
узком смысле теоретическую значимость
результатов понимают как возможность
пополнения общепризнанной базы знаний
в выбранной сфере этими результатами.
Проще говоря, если ваша работа обладает
академической ценностью, ее выводы
имеют шансы попасть на страницы учебников.
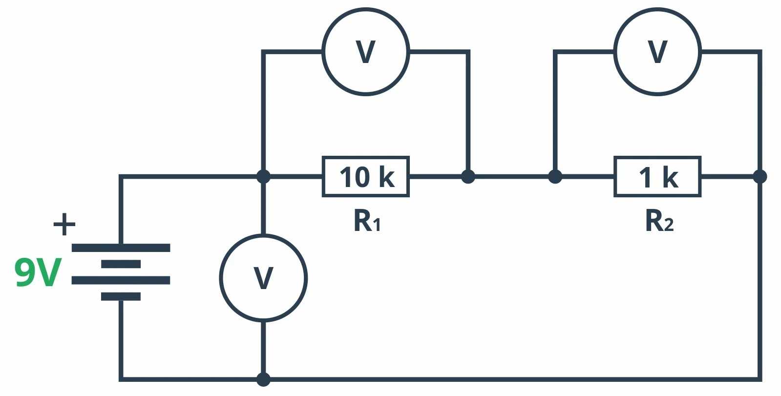
Второй закон Кирхгофа
Второй закон Кирхгофа относится к напряжениям отдельных элементов цепи. В нем говорится, что если мы выберем любую замкнутую цепь, сумма напряжений от источников питания будет равна сумме напряжений на других элементах.
Это означает, что компоненты, подключенные параллельно, всегда будут иметь одинаковое напряжение, потому что они подключены к одному источнику питания. Однако для элементов, соединенных последовательно, сумма напряжений (падений напряжения) на отдельных элементах равна напряжению питания.
Этот закон можно сравнить с несколькими небольшими водопадами. Сумма высот вытекающей из них воды, должна быть равна высоте всего каскада водопадов. Это видно на картинке ниже — сумма высот, отмеченных оранжевым цветом, равна высоте, отмеченной желтым цветом:

Лучше всего закон Кирхгофа проверяется на практике. На этот раз подключите последовательно два резистора (1 кОм и 10 кОм) к батарее 9 В. Затем по очереди померяйте напряжение в трех местах:
- падение напряжения на резисторе 1 кОм ,
- падение напряжения на резисторе 10 кОм ,
- напряжение на выводах АКБ 9 В.
Схема цепи:

| Чтобы измерить падение напряжения на данном элементе, один щуп вольтметра должен быть расположен перед элементом, а другой — позади него! |
Схема на макетной плате будет выглядеть так:
![]() |
![]() |
Самое главное — поставить щупы мультиметра в нужные места и правильно подключить батарею 9 В. Примеры измерений:
![]() |
![]() |
![]() |
| Измерение падения напряжения при R = 1k | Измерение падения напряжения при R = 10k | Измерение падения напряжения во всей цепи |
Теперь проверим результаты, суммируя измеренные напряжения: 0,86 + 8,67=9,55. Точность до 0,02 В. Такую погрешность дают: сам мультиметр и используемые компоненты.
Эффективные стратегии и советы по законтриванию
Законтрировать – это одно из ключевых понятий современной индустрии разработки программного обеспечения. Данный процесс заключается в контроле и проверке кода перед его релизом, с целью обнаружения и исправления ошибок, гарантируя тем самым высокое качество продукта в конечной реализации.
Для эффективного законтривания необходимо придерживаться определенных стратегий. Вот несколько полезных советов, которые помогут вам в этом процессе:
1. Планирование и проработка
Прежде чем приступить к законтриванию, необходимо детально спланировать каждый этап работы и проработать все возможные сценарии. Это поможет сэкономить время и ресурсы, а также избежать проблем в процессе контроля.
2. Использование инструментов контроля версий
Учет изменений и возможность возвращения к предыдущим версиям кода важны для эффективного законтривания. Используйте специализированные инструменты контроля версий, такие как Git или Mercurial, чтобы отслеживать и управлять изменениями в коде.
3. Тестирование на разных уровнях
Одним из важных этапов законтривания является тестирование кода на разных уровнях. Используйте юнит-тесты для проверки отдельных компонентов кода, интеграционные тесты для проверки взаимодействия компонентов, а также функциональные и производительностные тесты для проверки работоспособности всей системы.
4. Автоматизация процесса законтривания
Чтобы сэкономить время и упростить процесс законтривания, рекомендуется автоматизировать его. Используйте инструменты, такие как Continuous Integration (CI) и Continuous Deployment (CD), для автоматической сборки, тестирования и развертывания кода.
5. Коллективная работа и обратная связь
Законтривание – это командный процесс, поэтому важно поддерживать открытую коммуникацию и обратную связь между членами команды разработки. Регулярное обсуждение и обмен идеями помогут выявить и исправить ошибки более эффективно
Основные преимущества законтривания
Преимущество
Описание
Высокое качество продукта
Законтривание позволяет минимизировать количество ошибок и повысить надежность и работоспособность продукта.
Снижение рисков
Контроль и исправление ошибок на ранних этапах разработки помогает избежать серьезных проблем и снизить риски для бизнеса.
Экономия времени и ресурсов
Благодаря контролю кода перед его релизом можно избежать необходимости проводить дорогостоящие ремонтные работы и вносить многочисленные исправления после выхода продукта.
Итак, эффективное законтривание является важным элементом разработки программного обеспечения. Планирование, использование инструментов контроля версий, тестирование, автоматизация и сотрудничество помогут вам достичь высокого качества и успеха в вашем проекте.
Удачные формулировки теоретической и практической ценности
Предлагаем
ознакомиться с выдержками из научных
работ. Анализируя примеры опытных
коллег, вы быстрее научитесь формулировать
теоретическую и практическую ценность
своих работ.
Изложение
теоретической и практической значимости
данной работы – практически образцовое.
Академическую ценность составляют две
разработанные автором модели и
предложенный им оригинальный метод
оценки перфузии. Новизна сочетается с
нужностью, а две отрасли – техническая
и медицинская – пополняются принципиально
новыми знаниями. Прагматическая ценность
обоснована довольно грамотно. Автор не
просто перечисляет значимые результаты,
но и объясняет причины их ценности.
Нормативные
рекомендации – достойный вариант
обоснования практической значимости.
К тому же для архитектурных наук они
действительно имеют большую ценность.
Усиливает впечатление предложение
использовать результаты исследования
для решения социальных задач национального
проекта.
Наглядный
пример того, как практическая значимость
формулировалась через поиск социальной
эффективности
Для медицинских наук
это очень важно. Автор утверждает, что
разработанные им методики улучшат
качество жизни больных, повысят
эффективность их лечения и не приведут
к ухудшению состояния здоровья
Также
он упоминает и о ценности результатов
для врачей-онкологов, которым точно
облегчит работу составленный алгоритм
схем лечения.
В
искусствоведении сформулировать
теоретическую значимость значительно
проще, чем практическую. Автор использовал
возможности по максимуму: упомянул
новые ракурсы исследования, расширение
научных представлений об оперном театре,
наметил дальнейшие направления работы.
Практическая значимость не ограничилась
использованием материалов работы для
преподавания. Автор сумел найти ценность
непосредственно для практиков театра,
что ощутимо повысило ценность работы.
Этот пример
показывает, как практическую значимость
выражают через экономическую эффективность.
Работа предлагает сочетание форматов
занятости, позволяющее высвободить
трудоспособность персонала. В целом,
как подчеркивает автор, исследование
поможет модернизировать систему
управления персоналом.
Социологические
науки дают возможность проводить
исследования, имеющие одинаково ярко
выраженные теоретическую и практическую
ценность. Академическая значимость
представлена ценными знаниями для
социологии по крайне актуальному вопросу
– нахождению баланса работы и родительства.
Прагматическая значимость работы
заключается в ее высоком потенциале
для переориентации всей социальной
политики в отношении работающих
родителей.
Исследования
в сфере языкознания позволяют получить
результаты, теоретически значимые для
множества смежных отраслей. Данная
работа обогатила понятийный аппарат и
методологический инструментарий
нескольких наук и пограничных научных
направлений. Новый подход к реконструкции
гуманитарного знания – неожиданный
результат для лингвистического
исследования, а потому обещает
революционные изменения в гуманитаристике
в целом.
Применимость
результатов для формальной реконструкции
научных теорий – как раз тот случай,
когда выявляется скрытая прагматическая
ценность гуманитарного исследования.
А когда философское исследование
раскрывает процедуры, которые можно
использовать в процессе автоматического
моделирования теоретико-познавательной
деятельности, это полностью меняет
представления о философии. Подобный
результат действительно имеет именно
практическую ценность.
Юридические
науки – самые «удобные» среди прочих
гуманитарных в плане написания практически
значимых работ. Рекомендации по внесению
поправок в законодательство –
беспроигрышный вариант, чем и воспользовался
автор данной работы.
Интерпретация закона Ома
Что касается тока, то закон Ома говорит, что он прямо пропорционален напряжению. Например, если мы увеличим напряжение в 10 раз, ток также возрастет в 10 раз. Это видно из формулы I = U / R (чем выше будет напряжение, тем выше будет ток).
Если сравнить с водой, то на картинке хорошо видно: при повышении уровня воды (повышается напряжение) из плотины вытекает больше воды (увеличивается ток).
I ~ U
Как видите, есть возрастающее напряжение (уровень воды) с постоянным сопротивлением (положение шлюза в дамбе). Вывод: увеличение напряжения приводит к протеканию большего тока при том же сопротивлении.
| I ~ U здесь означает, что ток прямо пропорционален напряжению. |
Рассмотрим другой пример. На этот раз уровень воды (напряжение) будет постоянным. Изменится только степень открытия шлюза в дамбе (сопротивление):
I ~ 1 / R
На этот раз мы можем заметить, что при постоянном напряжении, ток, протекающий через данный элемент, зависит от его сопротивления. Вывод: ток обратно пропорционален сопротивлению (чем меньше сопротивление, тем больше тока будет протекать в цепи).
| Обозначение I ~ 1 / R здесь означает, что ток обратно пропорционален сопротивлению. |
Суть явления
Впервые применение резонанса в виде примера встречается в работах итальянского учёного и техника Торричелли, жившего в Средние века. А точное определение этому явлению, связанному с вынужденными колебаниями, первым дал Галилео Галилей в трактате о маятниках и музыкальных струнах. Объяснение же природы электромагнитного резонанса принадлежит основоположнику современной электродинамики Генри Максвеллу.
Механический аспект

В качестве простейшего примера для описания механического резонанса можно привести раскачивание детских качелей. Амплитудой в этом случае будет наибольшая высота подъёма качели над уровнем горизонта, а частотой — количество прохождений самой низкой точки за 1 секунду.
Запущенные качели, представляя собой колебательную систему, имеют собственную частоту и начальную амплитуду, увеличить которую можно довольно легко, если толкать качели с частотой, совпадающей с их собственной. Усилия, прикладываемые в этом случае, не имеют решающего значения. На увеличение высоты подъёма будет влиять в большей степени совпадение частот колебаний качелей и периодичности внешнего воздействия.
Основой работы любого механического резонатора является взаимное преобразование двух видов энергий:
- потенциальной;
- кинетической.
В случае с качелями, которые по свойствам представляют собой простой маятник, потенциальная энергия, согласно кривой графика зависимости, достигает максимума в самой верхней точке, а по мере опускания вниз — к положению равновесия — постепенно переходит в кинетическую, набирая наибольшее значение при прохождении самой нижней точки. Зависит же потенциальная энергия, согласно формуле, от высоты подъёма и массы, а кинетическая — прямо пропорциональна квадрату скорости и той же массе.
Электронные устройства
Электромагнитный резонанс используется в различных электронных устройствах, где есть цепи с так называемым колебательным контуром, состоящим из катушки индуктивности и конденсатора. Возникает он при определённой частоте, позволяя энергии магнитного поля индуктивного элемента превращаться в энергию электрического поля конденсатора и обратно.

Механизм такого явления заключается в том, что переменное магнитное поле катушки индуктивности создаёт электрический ток для зарядки конденсатора, а при обратном процессе, когда конденсатор разряжается, ток генерирует магнитное поле в катушке. Такой процесс может повторяться неограниченное количество раз, подобно механическому маятнику.
Оптика и акустика

Самым известным примером использование резонанса в оптическом диапазоне считается резонатор Фабри-Перо. Этот прибор, основу которого составляет пара зеркал, расположенных друг против друга, позволяет создавать при помощи резонанса стоячую световую волну.
При работе с акустическими приборами для увеличения громкости также не обходятся без резонанса. Практически все музыкальные инструменты в своих конструкциях содержат резонаторы. Это и трубка у флейты, и корпус у скрипки, гитары или барабана.
По сути, резонанс в физике представляет собой отклик колеблющейся системы на внешнее воздействие, который проявляется в увеличении максимального отклонения от положения равновесия. Такой отклик ещё принято называть частотно-избирательным, так как само явление возникает лишь при совпадении частот — воздействия внешней силы и собственных колебаний системы.



































