СОЕДИНИТЕЛИ СТЫКОВЫЕ ПРИВАРНЫЕ

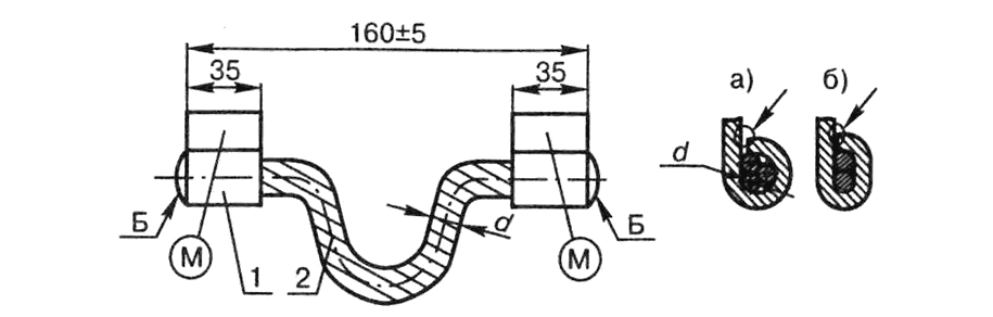
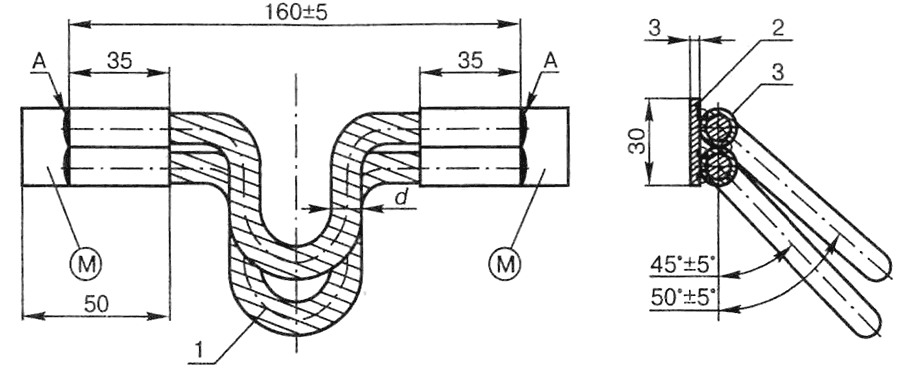
1 — стальная манжета; 2 — три или две скрученные между собой сталемедные проволоки;Б — поверхность, покрываемая каменноугольным лаком или краской; М — место нанесения маркировки.
|
Тип |
Номер чертежа |
Маркировка |
Марка проволоки |
Диаметр проволоки, мм |
Масса, кг |
|
СПСМ-2,2хЗ-290 |
ЦМС-98-02-00 |
3 |
СМ-1 |
2,2 |
0,1 |
|
СПСМ-2,5х2-290 |
ЦМС-98-02-00-01 |
4 |
СМ-1 |
2,5 |
0,103 |
|
СПСМ-2,8х2-290 |
ЦМС-98-02-00-02 |
5 |
СМ-1 |
2,8 |
0,109 |
|
СПСМ-2,8х2-290 |
ЦМС-98-02-00-03 |
6 |
СМ-2 |
2,8 |
0,109 |
|
СПСМ-3,Ох2-290 |
ЦМС-98-02-00-04 |
7 |
СМ-2 |
3,0 |
0,113 |

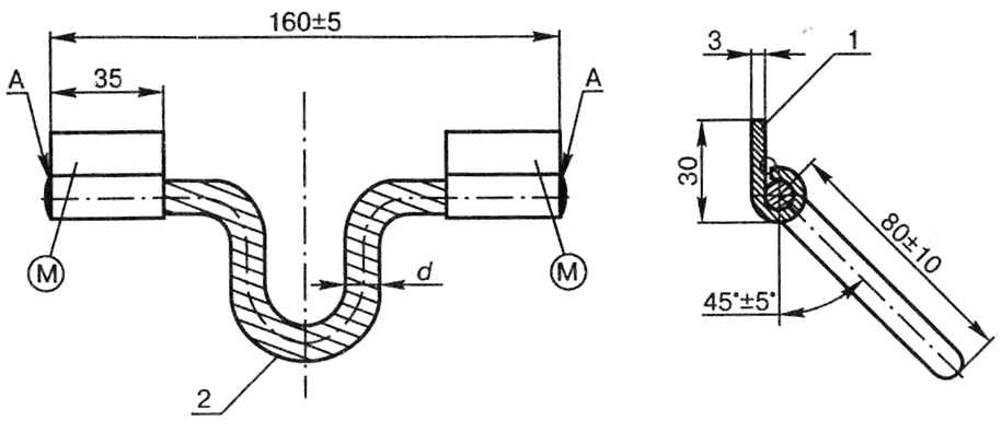
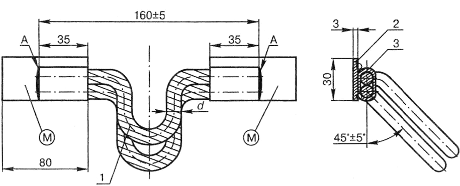
1 — стальная манжета; 2 — сталемедный провод;А — поверхность, покрываемая каменноугольным лаком или краской; М — место нанесения маркировки
|
Тип |
Номер чертежа |
Маркировка |
Марка провода |
Диаметр провода, мм |
Масса, кг |
|
СПСМ-70-290* |
ЦМС-98-03-00 |
10 |
ПСМ1-70 |
11,0 |
0,29 |
|
СПСМ-95-290* |
ЦМС-98-03-00-01 |
11 |
ПСМ1-90 |
12,5 |
0,35 |
|
СПСМ-120-290 |
ЦМС-98-03-00-02 |
12 |
ПСМ1-120 |
14,0 |
0,42 |
|
СПСМ-175-290 |
ЦМС-98-03-00-03 |
13 |
ПСМ1-175 |
17,0 |
0,54 |

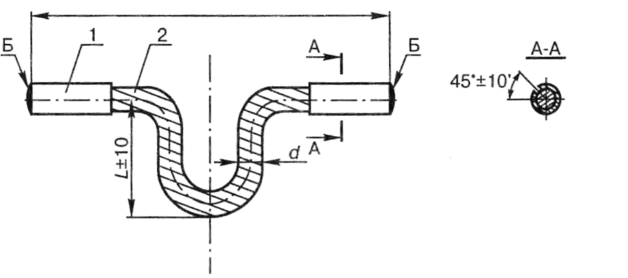
1 — стальная гильза; 2 — сталемедный провод;Б — поверхность, покрываемая каменноугольным лаком или краской; М — место нанесения маркировки.
|
Тип |
Номер чертежа |
Маркировка |
Марка про вода |
Диаметр провода, мм |
Масса, кг |
|
СПСМ-70-290 |
ЦМС-98-04-00 |
14 |
ПСМ1-70 |
11,0 |
0,206 |
|
СПСМ-95-290 |
ЦМС-98-04-00-01 |
15 |
ПСМ1-95 |
12,5 |
0,261 |
|
СПСМ-120-290 |
ЦМС-98-04-00-02 |
16 |
ПСМ1-120 |
14,0 |
0,32 |
|
СПСМ-175-290 |
ЦМС-98-044-00-03 |
17 |
ПСМ1-175 |
17,0 |
0,46 |

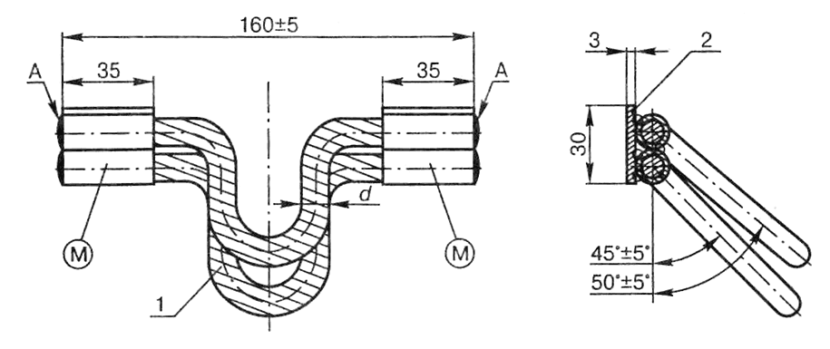
1 — сталемедный провод; 2 — фартук;А — поверхность, покрываемая каменноугольным лаком или краски; М — место нанесения маркировки.
|
Тип |
Номер чертежа |
Маркировка |
Марка провода |
Диаметр провода, мм |
Масса, кг |
|
СПСМ-2х70-290 |
ЦМС-98-05-00 |
18 |
ПСМ 1 |
11,0 |
0,58 |
|
СПСМ-2х95-290 |
ЦМС-98-05-00-01 |
19 |
ПСМ 1 |
12,5 |
0,70 |
|
Тип |
Номер чертежа |
Маркировка |
Марка провода |
Диаметр провода, мм |
Масса, кг |
|
СПСМ-2х70-290 |
ЦМС-98-06-00 |
20 |
ПСМ1 |
11,0 |
0,58 |
|
СПСМ-2х95-290 |
ЦМС-98-06-00-01 |
21 |
ПСМ1 |
12,5 |
0,70 |

где 1 — сталемедный провод; 2 — стальной фартук; 3 — стальная гильза;А — поверхность, покрываемая каменноугольным лаком или краской; М — место нанесения маркировки.
|
Тип |
Номер чертежа |
Маркировка |
Марка провода |
Диаметр провода, мм |
Масса, кг |
|
СПСМ-70-290 |
ЦМС-98-07-00 |
22 |
ПСМ1 |
11,0 |
0,276 |
|
СПСМ-95-290 |
ЦМС-98-07-00-01 |
23 |
ПСМ1 |
12,5 |
0,331 |
|
СПСМ-120-290 |
ЦМС-98-07-00-02 |
24 |
ПСМ1 |
14,0 |
0,39 |
|
СПСМ-175-290 |
ЦМС-98-07-00-03 |
25 |
ПСМ1 |
17,0 |
0,53 |
|
СПСМ-70-190 |
ЦМС-98-07-00-04 |
26 |
ПСМ1 |
11,0 |
0,22 |
|
СПСМ-95-190 |
ЦМС-98-07-00-05 |
27 |
ПСМ1 |
12,5 |
0,26 |

где 1 — сталемедный провод; 2 — стальной фартук; 3 — стальная гильза;А — поверхность, покрываемая каменноугольным лаком или краской; М — место нанесения маркировки.
|
Тип |
Номер чертежа |
Маркировка |
Марка провода |
Диаметр провода d, мм |
Масса, кг |
|
СПСМ-2х70-290 |
ЦМС-98-08-00 |
28 |
ПСМ1 |
11,0 |
0,40 |
|
СПСМ-2х95-290 |
ЦМС-98-08-00-01 |
29 |
ПСМ1 |
12,5 |
0,48 |
|
СПСМ-2х70-190 |
ЦМС-98-08-00-02 |
30 |
ПСМ1 |
11,0 |
0,33 |
|
СПСМ-2х95-190 |
ЦМС-98-08-00-03 |
31 |
ПСМ1 |
12,5 |
0,41 |

где 1 — сталемедный провод; 2 — стальной фартук; 3 — стальная гильза;А — поверхность, покрываемая каменноугольным лаком или краской; М — место нанесения маркировки.
|
Тип |
Номер чертежа |
Маркировка |
Марка провода |
Диаметр провода, мм |
Масса, кг |
|
СПСМ-2х70-290 |
ЦМС-98-09-00 |
32 |
ПСМ1 |
11,0 |
0,642 |
|
СПСМ-2х95-290 |
ЦМС-98-09-00-01 |
33 |
ПСМ1 |
12,5 |
0,762 |
Дроссель – что это такое, устройство, принцип действия
Компонент электрической схемы, выполненный в виде катушки из изолированного проводника с высоким показателем индуктивности, но малым сопротивлением и емкостью, называется дросселем. Назначение элемента – выравнивание колебаний и задержка тока заданной частоты, а также накопление энергии в течение определенного времени.
В зависимости от места применения устройство может выполнять такой ряд функций:
- Ограничитель тока в электроцепи.
- Фильтр для выравнивания пульсаций.
- Элемент насыщения стабилизаторов.
- Магнитный усилитель в схеме постоянного тока.
Конструкция дросселя похожа на трансформатор – за исключением того, что проводник намотан всего в 1 ряд. Состоит деталь из следующих рабочих частей:
- Намотка проводника в изоляции. При этом в основном используется медный провод, а в дешевых моделях – алюминиевый.
- Сердечник. Изготавливается из феррита или диэлектрика – в зависимости от того, какие свойства требуется задать устройству.
- Контактные группы.

Схематическое устройство дросселя, применяемого в электрических схемахИсточник electroinfo.net
- Изоляционная масса. Это диэлектрическое вещество, которым заливается обмотка – для придания электроизоляционных и антигорючих свойств.
- Корпус из термостойкого материала.
Дроссель накапливает энергию и задерживает ток в заданном диапазоне значений. Такое свойство применяется в различных устройствах. Например, без такой детали не сможет работать ни один люминесцентный светильник.
При этом прибор характеризуется такими параметрами:
- Индуктивность, измеряемая в Генри, или «Гн».
- Сопротивление при подключении в цепь постоянного тока.
- Ток подмагничивания.
- Добротность.
- Номинал предельного напряжения.
Механизм действия дросселя на примере работы люминесцентной лампы выглядит следующим образом:
- Дроссель монтируется в схему между светильником и источником переменного тока.
- При замыкании цепи лампочка зажигается с задержкой.
- Объясняется это тем, что на период 1-ой полуволны возникает индукция, при этом ток возрастает и напряжение падает.
- Далее на период 2-ой полуволны катушка заряжается целиком. При этом тока падает, а напряжение возрастает.

Катушка индуктивности обеспечивает плавное и безопасное зажигание энергосберегающей лампыИсточник opendevices.ru
- В период 3-ей полуволны начинается проталкивание тока через обмотку. Происходит изменение его направления.
- В завершении – на 4-ой полуволне – ток полностью проходит через устройство и поступает в цепь.
- В это время и происходит зажигание лампочки.
Дроссель и дроссель-трансформатор ЖД: описание
Дроссель-трансформатор: назначение
Путевые дроссели и дроссель-трансформаторы на ЖД выполняют функции передатчиков тягового тока между РЦ в обход изолирующих стыков на линиях с автоблокировкой, стыкуя 2 системы электрической тяги.
Устанавливаются дроссели ДГ и дроссель-трансформаторы на ЖД с участками на электротяге постоянного или переменного тока с частотой 50 Гц и электроблокировкой на переменном сигнальном токе частотой 25 Гц и 75 Гц в РЦ.
Дроссель-трансформатор ДТ и дроссель ДГ имеет средний вывод, предназначенный для пропуска двойной силы тока. Так дроссель ДГ-150 и путевой дроссель-трансформатор ДТ-1-150 пропускают переменный ток номиналом в 150 А, средний вывод — 300 А. Соответственно дроссель ДГ-300 и дроссель-трансформатор ДТ-1-300 рассчитаны на пропуск тока силой в 300 А, средний вывод — 600 А.
Чем отличается дроссель от трансформатора
Главное отличие трансформатора от дросселя состоит в количестве обмоток и принципе работы.
Так путевой дроссель обладает одной обмоткой, сглаживает пульсацию постоянного тока за счёт запирания переменной составляющей.
Трансформатор имеет несколько обмоток и изменяет величину напряжения. Дроссель-трансформатор жд рассчитан на передачу через каждую секцию обмотки номинального тока в электрической тяге.
Маркировка ДТ
В обозначении ДТ первая цифра означает величину полного сопротивления основной обмотки переменному току частотой 50 Гц, вторая — значение тягового тока, на который рассчитана каждая полуобмотка дроссель-трансформатора.
Если маркировка ДТ начинается с цифры “2”, это свидетельствует о том, что такой дроссель-трансформатор сдвоенный. Например, путевой дроссель-трансформатор 2ДТ-1-300 в одном корпусе содержит два дроссель-трансформатора ДТ-1-300.
Аббревиатура ДТЕ свидетельствует о том, что данный дроссель-трансформатор не нуждается в обслуживании в процессе эксплуатации. Подробнее с ДТЕ можно ознакомиться тут.
Если же марка ДТ содержит литеры “Г” и “М”, это говорит о том, данный дроссель-трансформатор ДТ имеет залитую герметиком (герметизированную) обмотку и не нуждается в заливке маслом.
Коэффициент трансформации и габариты
Коэффициент трансформации (n) — соотношение напряжений в режиме холостого хода напряжения вторичной обмотки к напряжению первичной обмотки, без учёта падения напряжения. Или, иными словами, коэффициент трансформации n — соотношение между количеством витков первичной и вторичной обмоток.
Конструкция и принцип работы
Устройство ДТ выглядит, как сердечник формы Ш со стальным остовом. Расположение главной и второстепенной обмотки – средний стержень сердечника. Все составляющие механизма погружены в корпус из чугуна. Он в свою очередь наполнен маслом трансформатора и закрыт крышкой. Уровень масляной жидкости контролируется через пробки, находящиеся на крышке. Конструкция имеет защиту от:
- проникновения внутрь ДП лицами, которым не положено вмешиваться в работу прибора;
- размещения на выводах главной обмотки ненужных предметов;
- возможности повреждения корпуса.
В данном приборе находится пластина из гетинакса, расположенная посередине сердечника и остова. С её помощью происходит обеспечение воздушного зазора в магнитной цепи ДТ. Главная обмотка необходима для пропускания тягового тока. Она обладает 3 выводами. К линиям рельс присоединяются 2 из них, расположенные по краям, а оставшийся по середине — к среднему выводу дроссельного трансформатора смежной РЦ.
За включение приборов релейного и питающего концов РЦ отвечают дополнительные обмотки. Из-за индуктивного соединения приборов с рельсовой линией на работу РЦ меньше влияет константная составная часть тягового тока.
Дроссель-трансформатор на постоянном токе функционирует, согласно принципу самоиндукции катушки. Это происходит следующим образом:
- Часть тягового тока попадает на одну полуобмотку ДТ, перемещаясь по одной рельсе.
- Остальной ток идёт на вторую полуобмотку ДТ.
- Суммарный ток всех этих частей попадает через перемычку в среднюю точку ОО смежного ДТ. Поделившись надвое, он направляется по нитям рельс соседней РЦ.
Прибор может выдерживать диапазоны колебаний от низких до высоких. Первые могут быть от 20 Гц до 20 кГц. Средние значения составляют 20-100 кГц, а высокие – более 100 кГц. Конструкция дросселей высокой частотности совсем не похожа на конструкции ДТ низкой и средней частотности.
Виды и примеры использования
Чтобы более точно усвоить, что такое дроссель, поговорим о конкретном применении этого элемента в схемах. Его можно увидеть практически в любой схеме. Их ставят, если надо развязать (сделать независимыми друг от друга) участки, работающие на разной частоте. Они сглаживают резкие скачки тока (увеличение и падение), используются для подавления шумов. В некоторых схемах работают как стартовые, способствуя увеличению напряжения в момент старта. В зависимости от назначения, делятся на следующие виды:
- Сглаживающие. В силу индуктивности, препятствуют резкому повышению или понижению тока.
- Фильтрующие. Специально подобранные параметры отсекают (подавляют) выбросы на определённых частотах (или в целом диапазоне). Ставят их и на входе статических конденсаторов.
- Сетевые. Ставят в приборах, питающихся от однофазной сети. Служат для предохранения аппаратуры от перенапряжения.
-
Моторные. Ставят на входе электроприводов, чтобы сгладить пусковые токи.
Как видите, дроссели в электрике имеют широкое применение. Есть они в любой бытовой аппаратуре, даже в лампах. Не тех, которые работают с лампами накаливания, а тех, которые называют лампами дневного света, а так же в экономках и в светодиодных. Просто там они очень небольшого размера. Если разобрать плеер, проигрыватель, блок питания, — везде можно найти катушку индуктивности.
Дроссель в лампах дневного света
Для работы лампы дневного света необходим пуско-регулирующий аппарат. В более «старом» варианте он состоит из дросселя и стартера. Зачем дроссель в люминесцентной лампе? Он выполняет сразу две задачи:
- При пуске накапливает заряд, необходимый для розжига лампы (пусковой).
- Во время работы сглаживает возможные перепады тока, обеспечивая стабильное свечение лампы.

Как подключается дроссель в светильнике дневного света
В схеме люминесцентной лампы с электромагнитным ПРА, дроссель включается последовательно с лампой, стартер — параллельно. При неисправности одного из элементов или сгорании лампы, она просто не зажигается. Принцип работы этого узла такой. При включении напряжения в 220 В недостаточно для старта лампы. Пока она холодная, имеет очень большое сопротивление и ток течёт через постепенно разогревающиеся катоды лампы, затем через стартер.
В стартере есть биметаллический контакт, который при прохождении тока нагревается, начинает изгибаться. В какой-то момент он касается второго неподвижного контакта, замыкая цепь. Тут в работу вступает дроссель, пока грелся контакт стартера, он накапливал энергию. В момент когда происходит разряд стартера, он выдаёт накопленную энергию, увеличивая напряжение. В момент старта оно может достигать 1000 В. Этот разряд провоцирует разгон электродов, вырывая их из катодов лампы. Высвобождённые электроды начинают движение, ударяются о люминесцентное покрытие лампы, она начинает светиться. Дальше ток протекает не через стартер, а через лампу, так как её сопротивление стало ниже. В этом режиме дроссель работает на сглаживание скачков тока. Как видим, катушка индуктивности работает и как стартовая, и как стабилизирующая.
Зачем нужен дроссель в блоке питания
Как уже говорили, дроссель сглаживает пульсации тока. Если он при этом обладает значительным сопротивлением, параметры можно подобрать так, чтобы подавить определённые частоты.

Дроссель для сглаживания пульсаций
Второе назначение дросселя в блоке питания — сглаживание тока. Для этого используют низкочастотные дросселя с сердечниками из магнитной стали. Пластины друг от друга изолированы слоем диэлектрика (могут быть залиты лаком). Это необходимо чтобы избавится от самоиндукции и токов Фуко. Катушки такого типа имеют индуктивность порядка 1 Гн, так что сглаживают любые колебания тока, гасят его выбросы.
Цена трансформаторов
Цена трансформатора варьируется в широких пределах и зависит от множества факторов. Здесь учитывается тип и назначение, мощность и другие электрические параметры. На стоимости устройств отражается сложность производства и используемые материалы
Немаловажное значение играет защита и другие особенности
Трансформатор известного производителя не может быть дешёвым. Однако покупатель может быть уверен, что приобретённое им устройство полностью соответствует указанным характеристикам, не выйдет из строя при первом включении и гарантированно отработает заложенный ресурс.
Определение дроссель трансформатора
Дроссель трансформатор — это электромагнитное устройство, которое используется для контроля и регулировки электрического тока в электрической сети. Он обычно состоит из пряди проводников, намотанных на ферромагнитное сердечник, и предназначен для создания индуктивности.
Основная функция дросселя трансформатора заключается в ограничении тока и снижении электрического шума. Он может использоваться в различных электрических системах и устройствах, в том числе в электроэнергетических сетях, телекоммуникационных системах, электронных устройствах и промышленных оборудованиях.
Дроссели трансформаторы имеют несколько основных характеристик:
- Индуктивность: Дроссель трансформатора определяет его способность создавать индуктивность, которая измеряется в Генри (Гн). Индуктивность дросселя зависит от количества витков и конструкции сердечника.
- Ток: Дроссель трансформатора должен иметь достаточную границу тока, чтобы обеспечить надежное и безопасное функционирование электрической системы или устройства.
- Потери мощности: Потери мощности в дросселе трансформатора обусловлены омическим сопротивлением проводников и сердечника. Они должны быть минимальными, чтобы обеспечить эффективное использование энергии.
- Качество обслуживания: Дроссель трансформатора должен обладать высоким качеством обслуживания и длительным сроком службы.
Принцип работы дросселя трансформатора основывается на электромагнитной индукции и самоиндукции. Когда проходит переменный ток через обмотку дросселя, он создает магнитное поле в сердечнике. Это магнитное поле индуцирует обратное напряжение и сопротивление, что ограничивает ток и снижает электрический шум.
Дроссель трансформатор является важным компонентом многих систем и устройств, и его правильное использование и выбор способствуют надежной и эффективной работе электрической сети или устройства.
Немного истории
Благодаря английскому физику Майклу Фарадею в 1831 году человечество познакомилось с электромагнитной индукцией. Великому учёному не суждено было стать изобретателем трансформатора, поскольку в его опытах фигурировал постоянный ток. Прообразом устройства можно считать необычную индукционную катушку француза Г. Румкорфа, которая была представлена учёному миру в 1848-м.
В 1876 году русский электротехник П. Н. Яблочков запатентовал трансформатор переменного тока с разомкнутым сердечником. Современному виду устройство обязано англичанам братьям Гопкинсон, а также румынами К. Циперановскому и О. Блати. С их помощью конструкция приобрела замкнутый магнитопровод и сохранила схему до наших дней.
Виды магнитопроводов
Разновидности
Доступные на сегодня дроссели классифицируются по 2 признакам:
- Типу электроцепей.
- Назначению.
Разберем особенности разновидности для каждого случая.
Тип электроцепей
По применимости к различным типам электроцепей дроссели бывают 3 видов:
Низкочастотные.
По виду элементы похожи на стандартный трансформатор. Но при этом оснащены только одним слоем обмотки. Как правило, проводник намотан на каркас из пластика. Внутри него размещен сборный сердечник из стальных сегментов.

В электротехнике применяются различные типы дросселяИсточник ruselectronic.com
Чтобы исключить вихревые токи, пластины между собой надежно изолированы. Ввиду того что низкочастотные разновидности обладают высокой индуктивностью (более 1 Гн), они применяются в качестве препятствия в схемах для прохождения тока частотами 50-60 Гц. То есть выполняют роль стабилизатора.
Высокочастотные.
Изделия оснащены стальным, ферритовым или пластиковым сердечником. Характеризуются лучшей стабильностью и долговечностью по сравнению с выше приведенными разновидностями. Для работы на средних частотах намотка разделяется по отдельным секторам.
При одинаковой индуктивности модели с ферритовым сердечником обладают меньшими габаритами. При этом наряду с модификациями, оснащенными диэлектрическими сердечниками, они применяются для высокочастотного диапазона.
Для постоянного тока.
Применяется как элемент электросхемы, когда требуется сгладить пульсацию тока. Такая необходимость, например, возникает в цепях постоянного тока после выпрямления для подачи электричества на светильник.

Катушки индуктивности применяются в схеме для безопасного запуска мощного двигателяИсточник eltsi.ru
Назначение
По назначению дроссели классифицируются на следующие виды:
- Пусковой, для двигателей. Монтируется в схеме на входе в электропривод. В ходе работы снижает скачки тока во время запуска и торможения. Иногда заменяется 3-х-фазным трансформатором, ввиду одинаковости функций.
- Насыщения. Изменяет индуктивное сопротивление. Устанавливается в стабилизаторах, преобразователях, магнитных пускателях в цепях переменного тока. В составе имеет 2 намотки – рабочую и управляющую.
- Сглаживающий. Предназначается для сглаживания резких скачков – как понижению, так и повышению электротока. Применяется в преобразователях, подключается непосредственно к нагрузке по последовательной схеме. Характеризуется большой индуктивностью.
- Сетевой. Монтируется на входе 1-фазной локальной электроцепи. Выполняет функцию предохранителя оборудования от скачков напряжения.

В современных радиосхемах применяет электронная разновидность дросселяИсточник tomas.kz
Устройство
Дроссель-трансформатор имеет вид проводника, который наматывается по спирали. В зависимости от сферы использования его делают одно- или многожильным. Иногда в устройство добавляют диэлектрический каркас или оставляют деталь без него. В некоторых элементах дополнительно используется основание с круглым, квадратным или прямоугольным сечением.
Деталь состоит из множества витков, во время создания используется прогрессивная или универсальная намотка. При использовании первого вида они плавно меняются по всей длине, второго — расстояние между витками остается одинаковым.
Прогрессивная намотка используется в электрике, когда требуется сконструировать высокочастотное устройство. Для достижения результата приходится уменьшать паразитную емкость. Намотку выполняют в один или несколько слоев, из материалов подходит только медь, поскольку она выступает проводником.
Чтобы повысить индуктивность, используют ферромагнитный сердечник. В зависимости от места применения используют разные виды материала, поскольку некоторые из них подходят для подавления сильных помех, а другие берут при фильтрации звука. Когда требуется дросселирование механизмов на сверхвысоких частотах, то используют в основном латунь.
Во время производства производитель учитывает требуемую индуктивность, способности к выдерживанию тока и особенности индукции, поскольку иначе произойдет насыщение. Сначала определяется размер зазора, количество витков и сила тока, а потом высчитывается диаметр проволоки. В мелких машинах или электронных устройствах дроссель делают плоским, тогда проводник располагают в виде круга или зигзага.
Дроссель-трансформаторы выпускают в двух вариациях:
Детали с сердечниками занимают меньше места, поэтому подходят для малогабаритных приборов.
Также элементы классифицируют по назначению:
Помимо этого, есть модели, которые работают на вторичных импульсных источниках. Для этого устройство сначала накапливает энергию в своем поле, а потом переводит ее в нагрузку.
Что такое дроссель, внешний вид и устройство
Дроссель — это один из видов катушки индуктивности, представляет собой специальную медную проволоку, намотанную на сердечник. Но не всё так просто, бывают они и без сердечника, называются бескаркасные или воздушные. Внешне некоторые похожи на трансформатор. Отличие в том, что дроссель имеет только одну обмотку, а у трансформатора их две или больше. Если вывода только два, то перед вами точно не трансформатор.
Дроссели без сердечника представляют собой намотанную спиралью проволоку. Как выглядит дроссель в электротехнике разобрались, теперь поговорим о его конструкции.

Что такое дроссель: это намотанная в виде спирали медная проводка с сердечником или без
Как уже говорили, сердечник у дросселя может быть, а может и не быть. Сердечник может быть из токопроводящего материала — металла, а может из магнитного. Наличие или отсутствие сердечника, а также его тип (не только материал, но и форма) влияют на параметры катушки индуктивности.
Элементы без сердечников применяются для отсечения высоких частот, с сердечником чаще применяют для накопления энергии. Есть и ещё один момент: если сравнить дроссели с одинаковыми параметрами с сердечником и без, то те которые его имеют, размером намного меньше. Чем лучше проводимость сердечника, тем меньше идёт проволоки и меньшие размеры имеет элемент.

Схематическое изображение дросселя с магнитным сердечником и без
Несколько слов о проволоке, которую используют для намотки дросселя. Это специальный изолированный провод. Изоляция — тонкий слой диэлектрического лака, он незаметен, но изолирует хорошо. Так что, при самостоятельной намотке катушки, не используйте обычную проволоку, только специальную, покрытую изоляцией.
Дроссель на схеме обозначается графическим изображением полуволны. Если он с магнитным сердечником, добавляется черта. Если требуется какой-то специальный металл это также указывается рядом со схематическим изображением. Также может быть указан диаметр провода (L1).






![Двухниточные рельсовые цепи переменного тока [1958 неугасов н.м., степанов н.м., новиков в.д. - проектирование автоматической блокировки на железнодорожном транспорте]](http://vsenazapad.ru/wp-content/uploads/4/3/b/43b9afcfd22af727cc82caa2f0a8a299.jpeg)













